L'embout soudé bout à bout est une solution polyvalente pour les systèmes de tuyauterie modernes, combinant des performances robustes avec une flexibilité d'installation inégalée. Conçu pour terminer les pipelines tout en permettant une connexion facile aux brides ou à d'autres composants, il simplifie la maintenance, réduit les temps d'arrêt et garantit une intégrité étanche même dans des conditions de haute pression et corrosives. Son col à souder conçu avec précision offre une transition transparente entre les tuyaux et les brides, éliminant les points faibles et garantissant une durabilité à long terme dans les environnements les plus exigeants. Dans les applications industrielles telles que le traitement chimique, le pétrole et le gaz et la production d'électricité, l'extrémité soudée bout à bout excelle dans la gestion des fluides abrasifs, des températures extrêmes et des pressions fluctuantes, minimisant ainsi le risque de fuites ou de pannes coûteuses.
| Taille | DN15(1/2")-DN1200(48") |
| Épaisseur de paroi | Sch5S-Sch160 |
| Tapez | Sans soudure/soudé |
| Certificat | DESP, AD2000, EAC, ABS, BV, DNV, NORSOK M650, ISO9001, ISO14001, ISO45001, etc. |
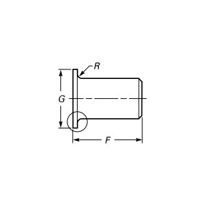
| Présentation de la fonction | L'extrémité tronquée est un raccord de tuyau qui forme le bord de l'embouchure du tuyau en un bord vertical le long d'une courbe spécifique par estampage ou soudage. Il est principalement utilisé pour connecter des tuyaux avec des brides, des vannes ou d'autres raccords de tuyauterie afin d'améliorer l'étanchéité et la résistance structurelle. Sa conception remplace les processus d'étirage complexes, optimise le flux plastique des matériaux, évite les fissures ou le froissement, réduit les étapes de traitement et économise les matériaux. Il est particulièrement adapté aux systèmes de distribution de fluides haute pression, résistants à la corrosion ou de précision. |
| Champs d'application | Largement utilisé dans les connexions de systèmes de pipelines dans les domaines de la pétrochimie, du transport du gaz naturel, de l'énergie électrique, de la construction navale et de l'ingénierie municipale, adapté aux environnements à haute pression, haute température et corrosifs. |
| Emballage | Emballage navigable, caisses en contreplaqué ou palette ou selon les exigences du client |
| Produits en vedette | 1、 Commande minimum de petits lots ; |
Les systèmes municipaux d'eau et d'eaux usées bénéficient de ses matériaux résistants à la corrosion, comme l'acier inoxydable ou les alliages duplex, garantissant des décennies de service fiable tout en répondant à des normes strictes de sécurité et d'hygiène. Les industries alimentaires et pharmaceutiques comptent sur sa conception lisse et sans crevasses pour maintenir les conditions sanitaires et prévenir la contamination. En permettant un démontage et un remontage rapides, ce composant réduit les coûts de main-d'œuvre et les perturbations opérationnelles lors des inspections ou des réparations. Choisir l'extrémité soudée bout à bout signifie investir dans une infrastructure prête pour l'avenir qui équilibre résistance, adaptabilité et rentabilité. Associez-vous à nous pour révolutionner vos systèmes de tuyauterie : conçus pour fonctionner, construits pour durer. Contactez nos experts dès aujourd’hui et découvrez comment cet élément essentiel peut élever vos projets vers de nouvelles normes d’excellence. Agissez maintenant pour obtenir une solution qui allie innovation, fiabilité et évolutivité sans effort !
De la matière première à la livraison finale, nous maintenons un contrôle rigoureux à chaque étape pour garantir la durabilité, les performances et la cohérence.
01
02
03
04
05
06
07
08
09
10
11
12
13
14
15
