La bride filetée révolutionne la connectivité des pipelines en offrant une solution sécurisée et sans soudure pour assembler des tuyaux filetés, ce qui en fait le choix ultime pour les environnements où la sécurité et l'adaptabilité ne sont pas négociables. Conçue avec un filetage interne de précision, cette bride s'intègre parfaitement aux tuyaux en acier galvanisé ou aux systèmes où le soudage est interdit, comme les environnements industriels inflammables, explosifs ou très sensibles. Sa conception innovante élimine les risques d'incendie associés au soudage, garantissant le respect de protocoles de sécurité stricts tout en offrant un joint robuste et étanche qui résiste aux exigences de haute pression. La connexion filetée permet une installation et un démontage rapides, permettant aux équipes de maintenance de dépanner ou de mettre à niveau les systèmes sans équipement spécialisé, réduisant ainsi les temps d'arrêt dans les opérations critiques telles que le traitement chimique, la distribution de pétrole et de gaz ou la production pharmaceutique.
| Taille | DN15(1/2")-DN600(24") |
| Pression nominale | 0,6- 4,0MPa |
| Plage de température | -45℃ à 260℃ |
| Certificat | PED, AD2000, EAC, ABS, BV, DNV, NORSOK M650, ISO9001, ISO14001, ISO45001, etc. |
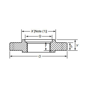
| Présentation de la fonction | La bride filetée se connecte au tuyau fileté via un filetage interne, éliminant ainsi la soudure. Idéal pour les tuyaux en acier galvanisé ou les environnements de soudage restreints (inflammables/explosifs). Se caractérise par une installation facile et un entretien flexible, particulièrement adapté aux aciers alliés et à d'autres matériaux ayant une mauvaise soudabilité. |
| Champs d'application | Applicable aux raccords à brides de tuyaux dans les oléoducs et gazoducs longue distance, les plates-formes offshore, les équipements chimiques, les systèmes de traitement de l'eau et les industries alimentaires et pharmaceutiques, adaptés aux conditions de travail complexes. |
| Emballage | Emballage navigable, caisses en contreplaqué ou palette ou selon les exigences du client |
| Produits en vedette | 1. Commande minimum de petits lots ; |
Idéale pour les matériaux sujets aux problèmes de soudage, tels que l'acier allié, la bride filetée préserve l'intégrité du matériau, évitant la fragilité ou la distorsion causée par la chaleur. Sa construction résistante à la corrosion, disponible en acier au carbone ou en acier inoxydable, garantit la longévité même dans des environnements difficiles, des plates-formes de forage offshore aux systèmes sanitaires de qualité alimentaire. Soutenue par une conformité rigoureuse aux normes mondiales, cette bride garantit la fiabilité dans les applications à enjeux élevés, notamment les systèmes hydrauliques, les canalisations cryogéniques et les transferts de fluides combustibles. Pour les industries qui privilégient la sécurité, l’efficacité et une maintenance rentable, la bride filetée est une solution transformatrice. Améliorez votre infrastructure dès aujourd'hui avec nos brides filetées haut de gamme, où l'innovation rencontre une sécurité sans compromis, permettant à vos systèmes de fonctionner parfaitement dans les conditions les plus exigeantes. Choisissez la confiance, choisissez la durabilité et redéfinissez le potentiel de votre pipeline.
De la matière première à la livraison finale, nous maintenons un contrôle rigoureux à chaque étape pour garantir la durabilité, les performances et la cohérence.
01
02
03
04
05
06
07
08
09
10
11
12
