La bride à col soudé constitue la solution ultime pour les environnements à haute pression et haute température, conçue pour offrir une fiabilité inégalée grâce à sa connexion robuste soudée bout à bout et à sa surface d'étanchéité fabriquée avec précision. Conçue pour les applications critiques, cette bride s'intègre parfaitement aux pipelines via une soudure bout à bout à pénétration totale, créant une structure monolithique qui résiste aux pressions extrêmes, aux fluctuations thermiques et aux contraintes mécaniques, ce qui la rend indispensable dans les raffineries de pétrole, les usines pétrochimiques et les systèmes d'énergie nucléaire. Sa conception à col effilé renforce non seulement l'intégrité structurelle, mais minimise également la concentration des contraintes, garantissant ainsi des performances à long terme dans des conditions exigeantes. Le processus de production – comprenant le forgeage avancé, le traitement thermique de réduction des contraintes, la finition de précision, les tests non destructifs (CND) rigoureux et les traitements de surface anticorrosion – garantit un composant qui dépasse les normes de l'industrie en matière de sécurité et de durabilité.
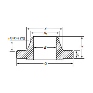
| Diamètre | DN15(1/2")-DN3500(138") |
| Pression | 0,25-25MPa |
| Certificat | DESP, AD2000, EAC, ABS, BV, DNV, NORSOK M650, ISO9001, ISO14001, ISO45001, etc. |
| Présentation de la fonction | La connexion soudée bout à bout offre une étanchéité à haute résistance pour les applications haute pression (HP) et haute température (HT), garantissant des performances étanches dans des conditions extrêmes. |
| Champs d'application | Applicable aux raccords à brides de tuyaux dans les oléoducs et gazoducs longue distance, les plates-formes offshore, les équipements chimiques, les systèmes de traitement de l'eau et les industries alimentaires et pharmaceutiques, adaptés aux conditions de travail complexes. |
| Emballage | Emballage navigable, caisses en contreplaqué ou palette ou selon les exigences du client |
| Produits en vedette | 1. Commande minimum de petits lots ; |
Des pipelines sous-marins résistant à l'eau de mer corrosive aux turbines à vapeur fonctionnant à des températures torrides, la bride à souder garantit une étanchéité étanche et une continuité opérationnelle. Les industries exigeant une qualité sans compromis, telles que les systèmes de fluides aérospatiaux ou le stockage cryogénique, comptent sur sa capacité à maintenir son intégrité sous des charges cycliques et une exposition à des milieux agressifs. En combinant une résilience supérieure des matériaux avec une ingénierie de précision, cette bride réduit les coûts du cycle de vie grâce à une réduction des temps d'arrêt et de la maintenance. Pour les ingénieurs chargés de protéger les infrastructures à enjeux élevés, la bride à souder est le choix définitif. Améliorez les performances de votre système dès aujourd'hui grâce à nos brides à souder haut de gamme, où la fabrication de pointe rencontre une résilience de qualité industrielle, permettant à vos opérations de vaincre les extrêmes de pression, de température et de temps. Choisissez l'excellence, choisissez l'endurance et construisez une base pérenne pour vos systèmes critiques.
De la matière première à la livraison finale, nous maintenons un contrôle rigoureux à chaque étape pour garantir la durabilité, les performances et la cohérence.
01
02
03
04
05
06
07
08
09
10
11
12
