La bride à joint à recouvrement redéfinit la flexibilité des systèmes de tuyauterie, offrant une solution dynamique pour gérer les contraintes de dilatation et de contraction thermiques tout en permettant un démontage sans problème dans les applications à basse pression. Combinant un anneau de bride robuste avec un composant à bride pivotante, cette conception innovante permet un mouvement axial contrôlé des canalisations, absorbant efficacement les changements induits par la température sans compromettre l'intégrité structurelle. Disponible en deux configurations : type à anneau soudé bout à bout (PJ/SE) pour des joints soudés de haute précision et type à anneau soudé plat (PJ/RJ) pour une installation simplifiée, il répond à divers besoins opérationnels tout en maintenant des performances d'étanchéité. Conçue en acier au carbone de qualité supérieure ou en acier inoxydable, la bride résiste à la corrosion et à l'usure mécanique, garantissant ainsi la fiabilité dans des industries telles que le traitement chimique, le traitement de l'eau et la production alimentaire, où un entretien fréquent ou des mises à niveau d'équipement sont monnaie courante.
| Diameter | DN50(2")-DN2000(80") |
| Pression | 0,6-2,5MPa |
| Certificat | DESP, AD2000, EAC, ABS, BV, DNV, NORSOK M650, ISO9001, ISO14001, ISO45001, etc. |
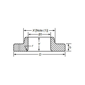
| Présentation de la fonction | Combiné avec un anneau de bride et des brides, permet le déplacement axial du pipeline et réduit les contraintes de dilatation thermique. Types : anneau de soudage bout à bout (PJ/SE) et anneau de soudage plat (PJ/RJ). Convient aux canalisations basse pression nécessitant des démontages fréquents. |
| Champs d'application | Applicable aux raccords à brides de tuyaux dans les oléoducs et gazoducs longue distance, les plates-formes offshore, les équipements chimiques, les systèmes de traitement de l'eau et les industries alimentaires et pharmaceutiques, adaptés aux conditions de travail complexes. |
| Emballage | Emballage navigable, caisses en contreplaqué ou palette ou selon les exigences du client |
| Produits en vedette | 1、 Commande minimum de petits lots ; |
Son mécanisme de rotation simplifie l'alignement lors de l'assemblage, réduisant ainsi les coûts de main-d'œuvre et les temps d'arrêt dans les systèmes tels que les machines hydrauliques, les réseaux CVC ou les installations industrielles modulaires. En isolant le mouvement des brides des contraintes du pipeline, il prolonge la durée de vie des joints et des boulons, réduisant ainsi les dépenses de remplacement à long terme. Des plates-formes offshore nécessitant une compensation thermique aux usines pharmaceutiques nécessitant des connexions stériles et faciles à nettoyer, la bride à joint à recouvrement garantit la conformité aux normes ASME et EN tout en s'adaptant à l'évolution des demandes opérationnelles. Soutenu par des tests rigoureux et une compatibilité polyvalente, il permet aux ingénieurs de concevoir une infrastructure résiliente et prête pour l’avenir. Améliorez vos systèmes de tuyauterie dès aujourd'hui avec nos brides à joint à recouvrement, où l'ingénierie de précision rencontre la force adaptative, permettant à vos opérations de prospérer dans des environnements dynamiques. Choisissez la flexibilité, choisissez l'endurance et débloquez une nouvelle ère d'efficacité.
De la matière première à la livraison finale, nous maintenons un contrôle rigoureux à chaque étape pour garantir la durabilité, les performances et la cohérence.
01
02
03
04
05
06
07
08
09
10
11
12
