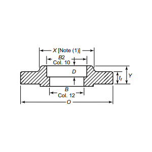
La bride à souder par emboîtement redéfinit les connexions de pipelines haute pression en intégrant une résistance supérieure à une dynamique des fluides transparente, conçue pour offrir des performances inégalées dans les applications compactes et à enjeux élevés. Conçue pour les tuyaux de petit diamètre, cette bride utilise une configuration de soudage par emboîtement qui encapsule le joint de soudure dans la bride elle-même, éliminant les saillies de soudure externes et minimisant la résistance à l'écoulement, un avantage essentiel dans les systèmes où la réduction des turbulences et l'hygiène sont primordiales. La soudure cachée simplifie non seulement le nettoyage et l'inspection dans les environnements stériles comme les usines pharmaceutiques ou de transformation alimentaire, mais améliore également l'intégrité structurelle, en résistant aux vibrations et aux coups de bélier dans les raffineries de pétrole et de gaz, les réacteurs chimiques ou les conduites de vapeur à haute pression. Usiné avec précision à partir d'acier au carbone forgé ou d'acier inoxydable, il allie résistance à la corrosion et résistance à la traction exceptionnelle, garantissant une étanchéité étanche même à des températures et pressions extrêmes.
| Plage de diamètre | DN15(1/2")-DN150(6") |
| Pression nominale | 1,6-16MPa |
| Certificat | DESP, AD2000, EAC, ABS, BV, DNV, NORSOK M650, ISO9001, ISO14001, ISO45001, etc. |
| Présentation de la fonction | Connexion à souder par emboîtement, La conception de soudure cachée réduit la résistance à l'écoulement, Optimisée pour les applications haute pression de petit diamètre, Performances d'étanchéité supérieures |
| Champs d'application | Applicable aux raccords à brides de tuyaux dans les oléoducs et gazoducs longue distance, les plates-formes offshore, les équipements chimiques, les systèmes de traitement de l'eau et les industries alimentaires et pharmaceutiques, adaptés aux conditions de travail complexes. |
| Emballage | Emballage navigable, caisses en contreplaqué ou palette ou selon les exigences du client |
| Produits en vedette | 1、 Commande minimum de petits lots ; |
Sa conception compacte simplifie l'installation dans les espaces restreints, tandis que la connexion robuste résiste à la dilatation thermique cyclique, ce qui la rend idéale pour les plates-formes offshore, les turbines de production d'électricité et les systèmes hydrauliques. En éliminant les points faibles potentiels et en réduisant les cycles de maintenance, cette bride permet aux industries de donner la priorité à la sécurité sans compromettre l'efficacité. Soutenu par la conformité aux normes ASME B16.5 et des tests non destructifs rigoureux, il garantit la fiabilité des opérations critiques. Pour les ingénieurs à la recherche d'une solution compacte à haute pression alliant durabilité et optimisation des fluides, la bride à souder à douille est le choix ultime. Améliorez votre infrastructure dès aujourd'hui grâce à nos brides conçues avec précision, où l'innovation rencontre la résilience, permettant à vos systèmes de fonctionner avec précision, sécurité et confiance inébranlable. Choisissez l’excellence, choisissez l’endurance et transformez le potentiel de votre pipeline.
De la matière première à la livraison finale, nous maintenons un contrôle rigoureux à chaque étape pour garantir la durabilité, les performances et la cohérence.
01
02
03
04
05
06
07
08
09
10
11
12
